


傳動鏈條
- 標準傳動鏈條 >
- 重載系列傳動滾子鏈條 >
- 開口銷型傳動滾子鏈條 >
- 高強度傳動鏈條 >
- 特殊傳動鏈條 >
- 免加油自潤滑傳動鏈條 >
- 耐環境傳動鏈條 >
- 齒形鏈條 >
- 石油鏈條 >
- 鏈條配件 >
小型輸送鏈條
- 通用小型輸送鏈條 >
- 免加油小型輸送鏈條 >
- 耐環境小型輸送鏈條 >
- 帶滾輪輸送鏈條 >
- 倍速鏈條 >
- 空心銷軸鏈條 >
- 側彎鏈條 >
- 尖齒鏈條 >
- 帶橡膠附板鏈條 >
- 帶U型附件鏈條 >
- 夾膜鏈條 >
- 工程塑料內節鏈條 >
- 塑料滾子鏈條 >
- 塑料輥道鏈條 >
- 中孔鏈條 >
- 特殊小型輸送鏈 >
- 帶特殊附件輸送鏈 >
大型輸送鏈條
- 通用大型輸送鏈條 >
- 特殊大型輸送鏈條 >
- 大型空心銷軸輸送鏈條 >
- 軸承滾子大型輸送鏈條 >
- 耐環境大型輸送鏈條 >
- 帶滾輪大型輸送鏈條 >
- 倍速大型輸送鏈條 >
- 滾針套筒大型輸送鏈條 >
- 帶特殊附件大型輸送鏈條 >
- 針對特殊用途輸送鏈條 >
- 大型輸送鏈條配件 >
特種輸送鏈條
- 電子波峰焊行業應用 >
- 電鍍設備行業應用 >
- 造紙廠行業應用 >
- 制藥廠包裝機行業應用 >
- 汽車廠行業應用 >
- 牙膏包裝輸送線行業應用 >
- 光伏設備制造行業應用 >
- 畜牧業自動化包裝機鏈條 >
- 巧克力食品行業應用 >
- 人造板/木地板制造行業應用 >
- 醫療設備行業應用 >
- 啤酒廠易拉罐生產線輸送鏈條 >
- 速凍隧道鏈條 >
- 糖機鏈條 >
- 啤酒灌裝輸送鏈條 >
- 人造板輸送鏈條 >
- 噴涂設備輸送鏈條 >
- 煙草機械輸送鏈條 >
- 提升機用鏈條 >
- 紡織機械用鏈條 >
- 紙卷用輸送鏈條 >
- 印鐵烘房線鏈條 >
- 雙向活動鏈條 >
- 刮板輸送鏈條 >
- 洗煤機用輸送鏈條 >
- 堆取料機輸送鏈條 >
- 橡膠手套輸送鏈條 >
- 污水處理輸送鏈條 >
- 雙鉸接輸送鏈條 >
- 鋼廠用輸送鏈條 >
- 塊式輸送鏈條 >
- 筑路機械鏈條 >
- 棕油鏈條 >
- 汽車生產線鏈條 >
- 軟管專用鏈條 >
- 聚酯薄膜橫拉鏈條 >
- 鋪路機用鏈條 >
- 包裝機械鏈條 >
- 挖溝機鏈條 >
- 礦山冶金鏈條 >
- 木材輸送鏈條 >
- 糧食機械輸送鏈條 >
- 垃圾處理用輸送鏈條 >
- 鋼卷傳輸用輸送鏈條 >
工程鏈條
- 工程鋼制套筒鏈條 >
- 鋼制銷合鏈條 >
- 焊接結構彎板鏈條 >
- 曳引用焊接結構彎板鏈條 >
起重鏈條
- 板式鏈條 >
- 堆高機用板式鏈條 >
- LH系列板式鏈連接環 >
- LL系列板式鏈連接環 >
- LH系列板式鏈連接銷軸 >
- LL系列板式鏈鏈接銷軸 >
- 多板銷軸鏈條 >
- 無滾子提升鏈條 >
不銹鋼鏈條
- 不銹鋼滾子鏈條 >
- 不銹鋼滾子鏈條附件 >
- 不銹鋼雙節距輸送鏈條 >
- 不銹鋼雙節距輸送鏈條附件 >
- 不銹鋼空心銷軸鏈條 >
- 不銹鋼側彎鏈條 >
- 不銹鋼加長銷輸送鏈條 >
- 不銹鋼倍速鏈條 >
- 不銹鋼帶滾輪輸送鏈條 >
- 不銹鋼大型輸送鏈 >
- 不銹鋼特種輸送鏈條 >
頂板鏈/鏈板
鏈輪
- 銷齒傳動 >
同步帶輪
- XLH標準梯形齒同步帶輪 >
- HTP圓弧齒同步帶輪 >
- T型齒同步帶輪 >
- AT型齒同步帶輪 >
- BTL錐孔同步帶輪 >
- HTP型錐孔同步帶輪 >
齒輪齒條
蝸輪蝸桿
聯軸器
聯結件
- B系列脹緊套 >
- E系列脹緊套 >
- D系列脹緊套 >
- F系列脹緊套 >
- T系列脹緊套 >
- ML系列脹緊套 >
- HL系列脹緊套 >
- SD系列脹緊套 >
- SS系列脹緊套 >
- SK系列脹緊套 >
- BTL系列錐套 >
- QTL系列錐套 >
- STL系列錐套 >
圓環鏈&吊具
- 礦用圓環鏈條 >
- 冶金專用吊具系列鏈條 >
- 吊裝圓環鏈條 >
- 提升圓環鏈條 >
- 船用/捕魚用圓環鏈條 >
- 出渣機用圓環鏈條 >
- 景觀橋索鞍索夾 >
輸送帶
- 鋼絲繩芯輸送帶 >
- 織物芯輸送帶 >
- 礦用耐沖擊輸送帶 >
- 芳綸輸送帶1 >
- 耐高溫輸送帶 >
- 阻燃輸送帶 >
- 金屬網芯輸送帶1 >
- 鋼絲繩牽引輸送帶1 >
- 管狀輸送帶 >
- 花紋輸送帶2 >
- 覆蓋帶 >
- 擋邊輸送帶 >
- 防附著輸送帶2 >
- 節電型輸送帶2 >
- 防撕裂輸送帶 >
- 隧道用輕型鋼絲繩芯輸送帶2 >
- 特殊高伸長度聚酯帆布輸送帶2 >
- 提升帶1 >
- 夾帶式輸送機覆蓋帶1 >
- 水壓機外胎(膠墊)1 >
- 實際案例 >
脹緊套
離合器
過載保護設備
型號表示 |

鏈條本體尺寸 |

隆德鏈號 | 節距 | S滾子 | R滾子 | 內節 | 銷軸 | 銷軸長度 | 鏈板 | 極限拉 | 約重 | 可使用的 | |||
P | R1 | R2 | W | D | L1 | L2 | L1+L2 | T | H | Q | |||
mm | mm | mm | mm | mm | mm | mm | mm | mm | mm | kN/kgf | kg/m | ℃ | |
LDC2040S-LMC | 25.40 | 7.92 | - | 7.95 | 3.97 | 8.25 | 9.95 | 18.2 | 1.5 | 12.0 | 2.65/270 | 0.51 | -10℃-150℃ |
LDC2050S-LMC | 31.75 | 10.16 | - | 9.53 | 5.09 | 10.3 | 12 | 22.6 | 2.0 | 15.0 | 4.31/440 | 0.84 | -10℃-150℃ |
LDC2060S-LMC | 38.10 | 11.91 | - | 12.70 | 5.96 | 14.55 | 16.55 | 31.5 | 3.2 | 17.2 | 6.28/640 | 1.51 | -10℃-150℃ |
LDC2080S-LMC | 50.80 | 15.88 | - | 15.88 | 7.94 | 18.3 | 20.9 | 39.9 | 4.0 | 23.0 | 10.7/1090 | 2.41 | -10℃-150℃ |
LDC2100S-LMC | 63.50 | 19.05 | - | 19.05 | 9.54 | 21.8 | 24.5 | 47.5 | 4.8 | 28.6 | 17.1/1740 | 3.54 | -10℃-150℃ |
LDC2120S-LMC | 76.20 | 22.23 | - | 25.40 | 11.11 | 26.95 | 30.55 | 59.0 | 5.6 | 34.4 | 23.9/2440 | 5.08 | -10℃-150℃ |
LDC2040R-LMC | 25.40 | - | 15.88 | 7.95 | 3.97 | 8.25 | 9.95 | 18.2 | 1.5 | 12.0 | 2.65/270 | 0.87 | -10℃-150℃ |
LDC2050R-LMC | 31.75 | - | 19.05 | 9.53 | 5.09 | 10.3 | 12.0 | 22.6 | 2.0 | 15.0 | 4.31/440 | 1.30 | -10℃-150℃ |
LDC2060R-LMC | 38.10 | - | 22.23 | 12.70 | 5.96 | 14.55 | 16.55 | 31.5 | 3.2 | 17.2 | 6.28/640 | 2.19 | -10℃-150℃ |
LDC2080R-LMC | 50.80 | - | 28.58 | 15.88 | 7.94 | 18.3 | 20.9 | 39.9 | 4.0 | 23.0 | 10.7/1090 | 3.52 | -10℃-150℃ |
LDC2100R-LMC | 63.50 | - | 39.69 | 19.05 | 9.54 | 21.8 | 24.5 | 47.5 | 4.8 | 28.6 | 17.1/1740 | 5.80 | -10℃-150℃ |
LDC2120R-LMC | 76.20 | - | 44.45 | 25.40 | 11.11 | 26.95 | 30.55 | 59.0 | 5.6 | 34.4 | 23.9/2440 | 8.13 | -10℃-150℃ |
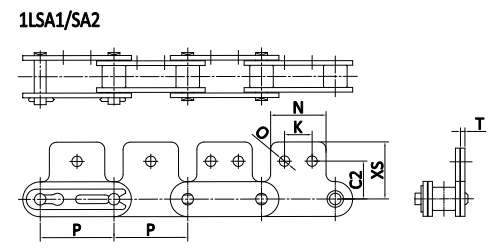
1LSA1、1LSA2附件尺寸 |

隆德鏈號 | C1 | C2 | K | N | O | O1 | T | XS | 一個附件的附加重量 |
mm | mm | mm | mm | mm | mm | mm | mm | kg | |
LDC2040S-LMC-1LSA1 | 11.1 | - | - | 19.1 | - | 5.2 | 1.5 | 19.8 | 0.003 |
LDC2050S-LMC-1LSA1 | 14.3 | - | - | 23.8 | - | 6.8 | 2.0 | 24.6 | 0.006 |
LDC2060S-LMC-1LSA1 | 17.5 | - | - | 28.6 | - | 8.7 | 3.2 | 30.6 | 0.017 |
LDC2080S-LMC-1LSA1 | 22.2 | - | - | 38.1 | - | 10.3 | 4.0 | 40.5 | 0.032 |
LDC2100S-LMC-1LSA1 | 28.6 | - | - | 47.6 | - | 14.3 | 4.8 | 50.4 | 0.06 |
LDC2120S-LMC-1LSA1 | 33.3 | - | - | 57.2 | - | 16.0 | 5.6 | 59.9 | 0.10 |
LDC2040R-LMC-1LSA1 | 11.1 | - | - | 19.1 | - | 5.2 | 1.5 | 19.8 | 0.003 |
LDC2050R-LMC-1LSA1 | 14.3 | - | - | 23.8 | - | 6.8 | 2.0 | 24.6 | 0.006 |
LDC2060R-LMC-1LSA1 | 17.5 | - | - | 28.6 | - | 8.7 | 3.2 | 30.6 | 0.017 |
LDC2080R-LMC-1LSA1 | 22.2 | - | - | 38.1 | - | 10.3 | 4.0 | 40.5 | 0.032 |
LDC2100R-LMC-1LSA1 | 28.6 | - | - | 47.6 | - | 14.3 | 4.8 | 50.4 | 0.06 |
LDC2120R-LMC-1LSA1 | 33.3 | - | - | 57.2 | - | 16.0 | 5.6 | 59.9 | 0.10 |
LDC2040S-LMC-1LSA2 | - | 13.6 | 9.5 | 19.1 | 3.6 | - | 1.5 | 19.8 | 0.003 |
LDC2050S-LMC-1LSA2 | - | 15.9 | 11.9 | 23.8 | 5.2 | - | 2.0 | 24.6 | 0.006 |
LDC2060S-LMC-1LSA2 | - | 19.1 | 14.3 | 28.6 | 5.2 | - | 3.2 | 30.6 | 0.017 |
LDC2080S-LMC-1LSA2 | - | 25.4 | 19.1 | 38.1 | 6.8 | - | 4.0 | 40.5 | 0.032 |
LDC2100S-LMC-1LSA2 | - | 31.8 | 23.8 | 47.6 | 8.7 | - | 4.8 | 50.4 | 0.06 |
LDC2120S-LMC-1LSA2 | - | 37.3 | 28.6 | 57.2 | 14.0 | - | 5.6 | 59.9 | 0.10 |
LDC2040R-LMC-1LSA2 | - | 13.6 | 9.5 | 19.1 | 3.6 | - | 1.5 | 19.8 | 0.003 |
LDC2050R-LMC-1LSA2 | - | 15.9 | 11.9 | 23.8 | 5.2 | - | 2.0 | 24.6 | 0.006 |
LDC2060R-LMC-1LSA2 | - | 19.1 | 14.3 | 28.6 | 5.2 | - | 3.2 | 30.6 | 0.017 |
LDC2080R-LMC-1LSA2 | - | 25.4 | 19.1 | 38.1 | 6.8 | - | 4.0 | 40.5 | 0.032 |
LDC2100R-LMC-1LSA2 | - | 31.8 | 23.8 | 47.6 | 8.7 | - | 4.8 | 50.4 | 0.06 |
LDC2120R-LMC-1LSA2 | - | 37.3 | 28.6 | 57.2 | 14.0 | - | 5.6 | 59.9 | 0.10 |
附件的安裝間距 | |

粵公網安備 44011202001507號